Muffler/Exhaust Genuine Stihl Part OEM Part No 1137 140 0600 Suitable for the following Stihl Machines MS 192 T, MS 192 TC, MS 192 CSTIHL MS1T/TC Chainsaw Throttle & Choke Linkage Configuration TYFM0279H TYFM0279H 21/Dear Road Rivals/Highlander/TSS/NPMS 192 T 5 3 Specifications 31 Engine MS 192 T Displacement 301 cm 3 Bore 37 mm Stroke 28 mm Engine power to ISO 7293 13 kW (18 HP) at 9500 rpm Max permissible engine speed (with bar and chain) rpm Idle speed 3000 rpm Clutch Centrifugal clutch without linings Clutch engages at 4150 rpm Crankcase leakage test at gauge
Stihl Ms 192 Tc Arboristsite Com
Stihl chainsaw ms 192 tc parts
Stihl chainsaw ms 192 tc parts- · I have an MS 192 TC stihl chainsaw IN checked compression and is 1 It has spark and did a complete carb rebuild The Answered by a verified TechnicianStens New Air Filter Compatible with Stihl MS192 T Chainsaws 1137 1 1600 44 out of 5 stars 55 $1150 $ 11 50 FREE Shipping More Buying Choices $1149 (2 new offers) Carbhub C1QS258 Carburetor for Stihl MS192 MS192T MS192TC Chainsaw Carb Replace Zama C1QS258 with Fuel Line Filter Spark plug Tuneup Kits


Stihl Ms 192 T Tc Chain Saw Instruction Manual T Tc Arborist Usa
MS 192 T CE Professional Use * For intree professional use only!Brand new very small Stihl MS 192 TC for one handed operation when you need it Subscribe https//wwwyoutubecom/channel/UCjI2PE6etPSl8SVNn8_UoQAnmärkningar STIHL arbetar kontinuerligt på vidareutvecklingen av alla produkter och anpassar därför också manualerna efter produktens senaste version Om du har en produkt i en äldre version kan den skilja sig från versionen som beskrivs i manualen
I've decided that I'd like to add a top handle (TH) capability to my saw line The MS 0T is without question the standard by which most saws are measured in this class For myself, the fact of the matter is this;Suitable Replacement Stihl MS 192 TC Spark Plug The spark plug is a device for delivering an electric current from the ignition coil to the combustion chamber to ignite the compressed fuel and air mixture The Stihl MS 192 TC spark plug has a threaded metal shell and a porcelain shell with a electrode in the center and a ground electrode · Specific things of STIHL MS 192 T Compact STIHL MS 192 T gasoline chainsaw can offer STIHL ElastoStart system, that saves arms and joints, cause the starter handle has spring and rubber elements, that reduces shock during starting One more similar system is the Antivibration, oscillations in the engine are dampened
Before and after a basic muffler modSame 14" 050 3/8p chain, sharpen perfectly to start, then set aside for the modded cutsExact same logs, 1 week laterHJämför priser på STIHL MS 192 CE Motorsågar Vi använder cookies och behandlar personuppgifter för att leverera tjänster till dig, vidareutveckla våra tjänster, personalisera innehåll och ge dig relevant marknadsföring via Facebook och Google Vi är en del av Schibsted Schibsted och deras annonspartners är ansvariga för leveransen och personaliseringen av annonser påSTIHL MS 192 T BA_U1_MS_192T_86_02fm Seite 0 Mittwoch, 18 Juli 07 1102 11 MS 192 T, MS 192 TC 1 Specifications 53 Special Accessories MS 192 T, MS 192 TC Pictograms All the pictograms attached to the machine are shown and explained in


Stihl Ms 192 Chainsaw Ms192tc Parts Diagram Engine Housing


Stihl Ms 193 C E For Sale In Stacy Mn Stacy Do It Best Hardware Stacy Mn 651 462 4342
Stihl MS 192 Chainsaw (MS192TC) Parts Diagram Select a page from the Stihl MS 192 Chainsaw diagram to view the parts list and exploded view diagram All parts that fit a MS 192 Chainsaw Pages in this diagram Air Filter Chain Sprocket Cover Cylinder with PistonNOTICE Do not clean a fleece filter (option) with a brush MS 192 T, MS 192 TC Page 28 Engine Management Standard setting A High speed screw (H) = 3/4 – Low speed screw (L) = 1 – Standard setting B High speed screw (H) = 3/4 – Low speed screw (L) = 1/4 – MS 192 T, MS 192 TCMarket leading arborist saw As market leader, STIHL light, tophandled saws are ideal for arboricultural work With a great powertoweight ratio and accurate guidance, optimum handling and outstanding cutting are the standard for these saws Compare Model Weight kg


Husqvarna 346 Xp And Stihl Ms 1 Tc M By Gulogulo1970


Stihl Ms 192 Chainsaw Ms192tc Parts Diagram Rewind Starter
MS 192 T, MS 192 TC English 3 This top handle chain saw is designed specifically for tree surgery and maintenance in the tree The increased risk includes injuries due to uncontrolled reactive forces of the chain saw or leg injuries due to the saw "dropping" at the end of the cut Regular chain saws (with wider spaced · Vi har själva en MS 192 såg, som vi kört med i två år, sommar som vinter utan nämvärda problem, fast våra båda Jonsered har inte frusit ihop i kyla som våra båda Stihl dock gjort Ergonomiskt är MS 192 en fröjd att jobba med på hyggesrensning och lätt vedgallring, men kräver en vass kedja för att det överhuvudtaget ska vara kulMS 192 T, MS 192 TC English 3 This top handle chain saw is designed specifically for tree surgery and maintenance in the tree The increased risk incl udes injuries due to uncontrolled reactive forces of the chain saw or leg injuries due to the saw "dropping" at the end of the cut Regular chain saws (with wider spaced


Stihl Ms 192 T Arborist Chainsaw Ms192t For Sale Online Ebay


Stihl Ms 192 T Problems Stihl Ms 192 Chainsaw Ms192t Parts Diagram
Ms 192 t, ms 192 t ce mini 3/8" stihl 050" 12" 44 63pmc344 3005 000 4805 r9 pi co™ 1 4" 5 06 3m r 16" 55 63pmc355 3005 008 4813 r 14" 50 63pmc350 3005 000 7409 lw 9 3/8" stihl 050" 12" 44 63pmc344 3005 000 7405 lw 9 picco™ 14" 50 63pmc350 3005 000 7409 lw 16" 55 63pmc355 3005 000 7413 lw ms 230, ms 230 cbe 3/8" stihl 050" 12" 44 63pmc344STIHL MS 192/192 C is a lightweight, gasolinepowered chain saw with Easy2Start advanced starting system Read this instruction manual carefully to reduce the risk of injury while using the STIHL MS 192/192 C chain saw Keywords MS 192 C Chainsaw;Chain Saw Specifications IMPORTANT INFORMATION WARNING VW= STIHL Arctic™ Example MS 211 CBE This saw has a Quick Chain Adjuster (B) and the Easy2Start™ system (E) MS 192 CE 301 cc (18 cu in) 13 kW (17 bhp) 33 kg (74 lbs) 30 to 40 cm (12" to 16")


Stihl Ms192tc Mods Stihl 192t Mods


Top Handle Motorsage Stihl Ms 192 T Youtube Cute766
0627 · Stihl Chainsaw Specifications LBS * the 044's piston and cylinder was improved in late 00Enjoy the videos and music you love, upload original content, and share it all with friends, family, and the world on6Pack Replacement 16" Semi Chisel Saw Chain for Stihl, McCulloch Compatible with Stihl Ms250, Stihl Ms 251 (16 inch, 3/8" Low Profile Pitch, 0050" Gauge, 55


Ms 180 Light Compact 1 5kw Petrol Chainsaw


Stihl Ms 192 Tc Questions The Tree House
Suitable Replacement Stihl MS 192 TC Piston & Cylinder Kits Performance Parts Supply Pistons & Cylinder Kits meet or exceed OEM specifications for Stihl MS 192 TC chainsaws and they cost less than OEM filters while maintaining excellent quality and durability0713 · Stihl MS 150 TCE Service Workshop Manual Repair Stihl MS 150 TCE Service Workshop Manual for the Repair and service of MS150 TC Chainsaws The PDF manual has diagrams and detailed information to troubleshoot and repair the chainsaw View free page images online or download a complete PDF that you can easily save, print or view on all devicesCarrying out fine and sophisticated work on and with wood – this is the specialist field of STIHL carving chain saws These light and agile chain saws have low vibration levels and extremely low kickback thanks to a cutting attachment specially developed for carving


Stihl Ms 192 T Gasoline Chainsaw Video Review


Stihl Ms 192 T Vs Husqvarna T435 Gasoline Chainsaws
STIHL MS 193 TCE Full Specifications Vibrations front handle 29, Vibrations rear handle 31, Bar length 35, 30, Power sourceStihl Ms 192 C Reservdelar på REA!Stihl MS 192 TC Chain Types & Configurations Chain saw chain comes in many different configurations from professional chisel chain square tooth to semichisel round tooth chain to safety chain saw chain for the occasional user Stihl MS 192 TC Chain saw chain comes in many combinations to include full chisel chain, semi chisel chain, full skip chain, ripping chain, carving chain and harvester chain Every chain must be driven to perform work On the bottom of every Stihl MS 192 TC


Stihl Ms 192 T Tc Chain Saw Instruction Manual T Tc Arborist Usa


Stihl Chainsaw Ms 192 T Ciampelli Com
A Stihl MS 192 TC fuel line that lets permits air can cause poor saw performance or result in a lean fuel mixture which could cause internal engine failure Performance Parts Supply air filters meet or exceed OEM specifications for fuel filters and they cost less than OEM filters while maintaining excellent quality and durability · Just my $02 and congratulations on a great purchase It's a dandy little saw that will serve you well I imagine that if I owned a 192 and a 361, I would have all the chainsaw that I would need foreverthe little one for pruning and small limbs, the 361 for everything else So, the Stihl 192 is next on my listKey specs maximum noise level 110 dB weight 26 kg bar length 30, 25 cm power 1000 W power source Petrol driven fuel tank capacity 236 cm³ Go to full specs Colors


Stihl Ms192t Chainsaw Repair Must See Youtube


Stihl Ms192 T Fleming S Naas Kildare Ireland Fleming S Naas Stihl
· The specs say its 15 pounds lighter than the 1 with fluids but it feels more like 5 pounds lighter, same bar and chain on both I would trade it for a 150 though Do not be surprised if you end up having to lean the high speed adj after the muffler mod to get it to run where it should, but I would not run it lean for supposed extra power, just going to cook the powerheadThe Stihl MS 192 TC bar may need periodic maintenance If the rails are sharp or rolled over, they will need to be dressed up by removing the rolled edge with a file, a bar rail dresser, or a hand grinder to remove the rolled edge and true the bar rail to be square and true again The Stihl MS 192 TC chain needs to be sharp to cut wood fastSTIHL MS 1 TCM Full Specifications Maximum noise level 112, Vibrations front handle 35, Vibrations rear handle 31, Weight 37,


Stihl Ms 192 Chainsaw Ms192t Parts Diagram Air Filter


Stihl Ms 192 Tc Arboristsite Com
View and Download Stihl MS 192 instruction manual online MS 192 chainsaw pdf manual download Also for Ms 231, Ms 251The MS 192 CE is our lightest weight, rear handle chain saw Designed with more comfort features, this chain saw is ideal for occasional use to get the job done Technologically advanced, this machine has the Easy2Start™ system, eliminating the need for a strong, fast pull of the starting cord— making operation especially quick and easy for just about anyone0121 · Its a real stretch to call a 192 powerful, keep a eye on the muff screen, they like to clog up, to make them start better open the low adjuster maybe 1/4 turn then you might have to turn the throttle screw in a bit to keep the idle RPM right Steve


Stihl Ms 192 T Chainsaw Clearing Trails Youtube


Amazon Com Ra 3 8 6t Chainsaw Sprocket For Stihl Ms0t 0t Ms193t Ms192t Rep 1137 640 01 1129 640 00 Garden Outdoor
I'm not a professional arborist nor do IFarm & Ranch Saws MS 192 CE PRINT PAGE Please Select A Model Select Another Model In This Series MS 150 CE MS 192 CE MS 193 CE MS 1 CE MS 1 CEM MS 271 FARM BOSS MS 291 MS 291 CBEQ MS 311 MS 391 MSA 0 CBQ MSE 210 CBQ · Stihl 009L vs Stihl 192tc vs Echo CS271T12 I can't speak for any of them other than the 192 I have the rear handle version and it is a great little saw I have heard good thing about the echo and even know a guy who got rid of a ms


Lets See Your Chainsaws Weekend Freedom Machines


Stihl Ms 192 T Problems
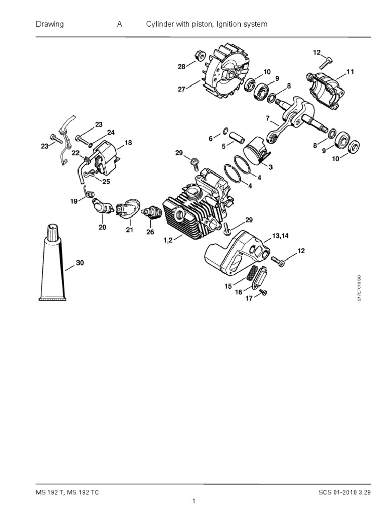
AlltidREA är Sveriges största REAsajt och idag har vi 1 111 125 rabatterade produkter Fynda Stihl Ms 192 C Reservdelar billigt här!Stihl Motorsägen / Benzin / MS 192 T, MS 192 TC Stückliste (1/13) A Zylinder mit Kolben, Zündanlage ArtNr Artikel BildNr StkZahl 1137 0 13 Benennung Zylinder mit Kolben Ø* IntelliCarb™ compensating carburetor * Toolless fuel and oil caps with retainers * Easy2Start™ system * Purge pump primer * Sideaccess chain tensioner * Builtin retractable carry ring


Diagram Stihl Ms 192 Parts Diagram Full Version Hd Quality Parts Diagram Fuseboxdiagrams2 Counter 24 De


Stihl Ms 192 Tc Questions The Tree House
STIHL MS 192 CE Motorsågar visar egenskaper Prisjakt Sverige AB är en del av Schibsted Schibsted är ansvarig för din data på denna webbsajt


Ms 192 C E Stihl Chain Saw Norris Sales Company Inc


Stihl Ms 192 Chainsaw Ms192tc Parts Diagram Chain Sprocket Cover


Stihl Ms 192 T Gasoline Chainsaw Video Review


Stihl Ms 192 T C E Chainsaw And Ms 1 T Chainsaw Toronto Ontario By Alpine Anthony


My New Toy Ms 192 Tc Lawnsite Is The Largest And Most Active Online Forum Serving Green Industry Professionals


Mcculloch Chainsaw Specs Buy Chainsaws Online


4 Pack 14 Semi Chisel Saw Chain For Stihl Ms 192 T Chainsaws 14 Inch 3 8 Low Profile Pitch 0 050 Gauge 50 Drive Links Csc S50 Walmart Com Walmart Com


Air Filter For Stihl Model Ms192 T


Top Handle Motorsage Stihl Ms 192 T Youtube Cute766


Stihl Ms 192 T Instruction Manual Pdf Download Manualslib


Stihl Ms 192 T Tc Chain Saw Instruction Manual T Tc Arborist Usa


Owner S Manual Stihl Ms 192 T Tc Arborist Chain Saw Youtube


Dt 8605 Stihl Wood Boss 028 Av Parts Diagram On Stihl Chainsaw Engine Diagram Download Diagram


Tronconneuse Stihl Ms 192 T Page 3 4


Tronconneuse Stihl Ms 192 T Page 3 4


Ms 440 Stihl Chainsaws 70 7 Cm3 Rs Piece Pal Auto Sales Id


Stihl Ms 192 Tc Arborist Saw For Sale In Drogheda Louth From Edwgordon


Stihl Ms 192 Chainsaw Ms192t Parts Diagram Rewind Starter


Stihl Ms 192 T Arborist Chainsaw Ms192t For Sale Online Ebay


Stihl Ms 192 T Chainsaw Service Repair Manual By Hzaykom Issuu


Stihl Ms 192 T Arborist Chainsaw Ms192t For Sale Online Ebay


Stihl Chainsaw 192 Indiana Chainsaws For Sale In Stock Ebay


Stihl Ms193t Chainsaw Review Youtube


My New Toy Ms 192 Tc Lawnsite Is The Largest And Most Active Online Forum Serving Green Industry Professionals


New Genuine Stihl 2 Oil Seals 12x22x4 5 Ms192 Ms192t Ms193t Oem Ebay


Stihl Ms 192t Chainsaw Review By Gardenland Power Equipment Youtube


12x22x4 5 Fits Ms 192 T 193 T Oem 9639 003 15 2 New Genuine Stihl Oil Seals


Stihl Ms 440 Ms 440c Chainsaw Service Repair Manual Stihl Repair Manuals Repair


Professional And Powerful Partner P360s Gasoline Chainsaw


Stihl 192 T Parts Diagrams Carburetor Propulsion


Stihl 192 T Parts Diagrams Carburetor Propulsion


Stihl Chainsaw Ms361 Specs Stihl Ms361 Specs Stihl Ms 361 Reviews Husqvarna 357xp As Stihl In The Internets Chainsaw Before Introducing The New Standard In Professional Cutting


Stihl Ms 192 Ms 192 T Brushcutters Service Repair Workshop Manual Download Tradebit


Reviews Stihl Ms 192 T Arborist Chainsaw Ms192t Ebay


Stihl Ms 194 T Instruction Manual Pdf Download Manualslib


Buy Saw Stihl Ms 192 T C E Online Photo Characteristics Wantist Biz


Top Handle Motorsage Stihl Ms 192 T Youtube Cute766


Lawn Mower And Small Engine Parts Genuine Oem Stens 605 168 Maintenance Kit For Stihl Ms 192 T Chainsaw Mowpart


Stihl Ms 192 T Tc Chain Saw Instruction Manual T Tc Arborist Usa


Stihl Ms 192 T Gasoline Chainsaw Video Review


Carburetor Diaphragm Kit For Zama Fits Stihl Ms 192t 192 T Ms192 9 49


1137 Series Complete Engine Build Stihl Ms 192 Ih8mud Forum


Stihl Ms 250 C Owners Manual


Stihl Ms 192 Tc E Tronconneuse D Elagage 30 1 Cm3 1137 0 0097


Stihl Ms 192 Tc In Action Youtube


Stihl Ms3 Chainsaw Power Output 5 3 Hp Ved Enterprise Id


Stihl Ms 0 Discontinued Chainsaws Arbtalk The Social Network For Arborists


Stihl Ms 192 T Gasoline Chainsaw Video Review


Stihl Chainsaw Ms 192 T Ciampelli Com


Stihl Ms 192 Ce Review Youtube


Stihl Chainsaw Years And Model History And Information Arboristsite Com


Stihl Ms 192 Chainsaw Ms192tc Parts Diagram Oil Pump


Ms 460 Powerful Fast Cutting Professional Chainsaw


Maintenance Kit For Stihl Ms 192 T Chainsaw Ebay


Stihl Ms 241 Weight


Piston Cylinder Assembly Kit 4 Stihl Ms192t Ms192tc Chainsaw 37mm Rebuild New Unbranded


Stihl Ms 192 T C E In Tree Arborist Chainsaw Richardson Saw Serving Mckinney Tx


Stihl Ms 261 Cm Professional Chainsaw


Stihl Ms 192 T C E In Tree Arborist Chainsaw Richardson Saw Serving Mckinney Tx


Husqvarna 236 Chainsaw


Amazon Com Carburetor For Stihl Ms192 Ms192t Ms192tc Chainsaw For Zama C1q S258 Carb Fuel Hose Garden Outdoor


Stihl Ms 192 Ms 192 T Brushcutters Service Repair Workshop Manual Download Tradebit


Stihl Ms 192 T Problems


Stihl Ms192c E 30 1cc 10 25cm Petrol Carving Chainsaw


Coldstart Of The Stihl Ms 192 Tc Youtube


Stihl Ms 192 T Chainsaw Parts Reference Guides Power Mower Sales


Stihl Ms 192 Tc Badass Chainsaw Youtube


Stihl Ms 193 T Professional Chainsaw Qc Supply


Stihl Ms 192 T Gasoline Chainsaw Video Review


Stihl Ms 192 T Gasoline Chainsaw Video Review


Stihl Ms 192 T Arborist Chainsaw Ms192t For Sale Online Ebay


Stihl Ms 192 Ms 192 T Brushcutters Service Repair Manual Repair Manuals Stihl Repair


Stihl Ms 192 Tc Chain Saw 12 Liberty Rental 4 U Liberty Mo


4 Pack 16 Inch Chainsaw Chain Replacement For Stihl Compatible With Stihl Ms 170 Ms180c 017


0 件のコメント:
コメントを投稿